NUP312EM
MORE +
CLOSE +

NSK NUP312EM

Single-Row Cylindrical Roller Bearings

(BRAND):NSK
(Availability):In Stock

Detailed data of

NUP312EM

Designations

NUP312EM

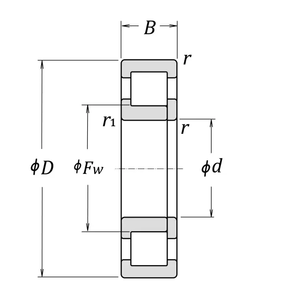
Boundary Dimensions

d 60 mm Bore diameter
D 130 mm Outside diameter
B 31 mm Width
FW 77 mm Raceway diameter of inner ring
r (min.) 2.1 mm Chamfer dimension
r1 (min.) 2.1 mm Chamfer dimension

Basic Load Ratings

Cr 184000 N Basic dynamic load rating
C0r 157000 N Basic static load rating

Speeds

Thermal Speed Rating (Oil-bath) 5600 min-1 Oil-bath lubrication subject to conditions outlined in ISO 15312
Mechanical (forced-circulation oil) 9500 min-1 Properly designed and controlled forced-circulation oil lubrication
Grease 4800 min-1 Grease lubrication
Oil (Oil-bath) 5600 min-1 Oil-bath lubrication

da (min.) 71 mm Diameter of shaft abutment
dd (min.) 86 mm Diameter of shaft abutment
Da (max.) 119 mm Diameter of housing abutment
ra (max.) 2 mm Radius of shaft or housing fillet
rb (max.) 2 mm Radius of shaft or housing fillet

Abutment and Fillet Dimensions

Mass approx. 2.14 kg Mass approx.

Similar to product

NUP312EM