NUP314EM
MORE +
CLOSE +

NSK NUP314EM

Single-Row Cylindrical Roller Bearings

(BRAND):NSK
(Availability):In Stock

Detailed data of

NUP314EM

Designations

NUP314EM

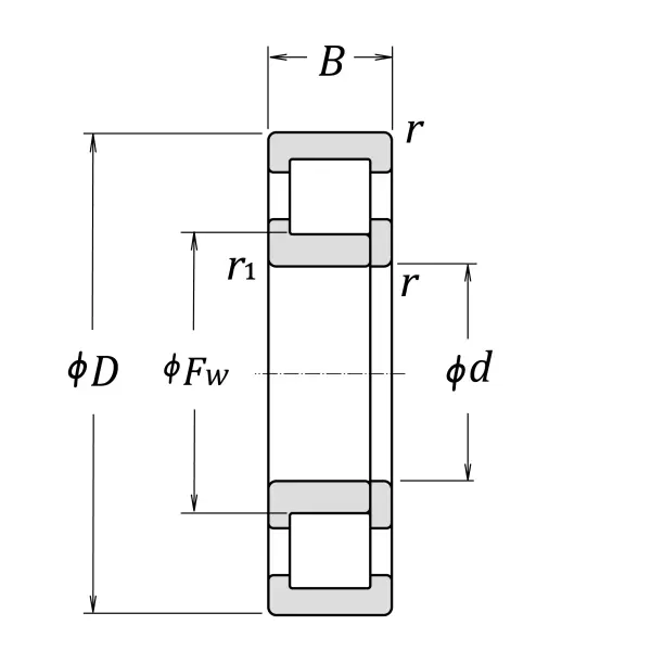
Boundary Dimensions

d 70 mm Bore diameter
D 150 mm Outside diameter
B 35 mm Width
FW 89 mm Raceway diameter of inner ring
r (min.) 2.1 mm Chamfer dimension
r1 (min.) 2.1 mm Chamfer dimension

Basic Load Ratings

Cr 252000 N Basic dynamic load rating
C0r 222000 N Basic static load rating

Speeds

Thermal Speed Rating (Oil-bath) 4800 min-1 Oil-bath lubrication subject to conditions outlined in ISO 15312
Mechanical (forced-circulation oil) 8000 min-1 Properly designed and controlled forced-circulation oil lubrication
Grease 4000 min-1 Grease lubrication
Oil (Oil-bath) 5000 min-1 Oil-bath lubrication

da (min.) 81 mm Diameter of shaft abutment
dd (min.) 100 mm Diameter of shaft abutment
Da (max.) 139 mm Diameter of housing abutment
ra (max.) 2 mm Radius of shaft or housing fillet
rb (max.) 2 mm Radius of shaft or housing fillet

Abutment and Fillet Dimensions

Mass approx. 3.21 kg Mass approx.

Similar to product

NUP314EM