NUP318ET7
MORE +
CLOSE +

NSK NUP318ET7

Single-Row Cylindrical Roller Bearings

(BRAND):NSK
(Availability):In Stock

Detailed data of

NUP318ET7

Designations

NUP318ET7

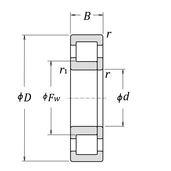
Boundary Dimensions

d 90 mm Bore diameter
D 190 mm Outside diameter
B 43 mm Width
FW 113.5 mm Raceway diameter of inner ring
r (min.) 3 mm Chamfer dimension
r1 (min.) 3 mm Chamfer dimension

Basic Load Ratings

Cr 390000 N Basic dynamic load rating
C0r 355000 N Basic static load rating

Speeds

Thermal Speed Rating (Oil-bath) 4000 min-1 Oil-bath lubrication subject to conditions outlined in ISO 15312
Mechanical (forced-circulation oil) 4500 min-1 Properly designed and controlled forced-circulation oil lubrication
Grease 3200 min-1 Grease lubrication
Oil (Oil-bath) 3800 min-1 Oil-bath lubrication

da (min.) 103 mm Diameter of shaft abutment
dd (min.) 127 mm Diameter of shaft abutment
Da (max.) 177 mm Diameter of housing abutment
ra (max.) 2.5 mm Radius of shaft or housing fillet
rb (max.) 2.5 mm Radius of shaft or housing fillet

Abutment and Fillet Dimensions

Mass approx. 5.53 kg Mass approx.

Similar to product

NUP318ET7