NUP320ET7
MORE +
CLOSE +

NSK NUP320ET7

Single-Row Cylindrical Roller Bearings

(BRAND):NSK
(Availability):In Stock

Detailed data of

NUP320ET7

Designations

NUP320ET7

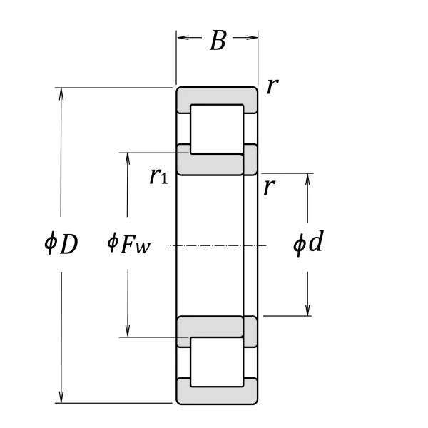
Boundary Dimensions

d 100 mm Bore diameter
D 215 mm Outside diameter
B 47 mm Width
FW 127.5 mm Raceway diameter of inner ring
r (min.) 3 mm Chamfer dimension
r1 (min.) 3 mm Chamfer dimension

Basic Load Ratings

Cr 465000 N Basic dynamic load rating
C0r 425000 N Basic static load rating

Speeds

Thermal Speed Rating (Oil-bath) 3600 min-1 Oil-bath lubrication subject to conditions outlined in ISO 15312
Mechanical (forced-circulation oil) 4000 min-1 Properly designed and controlled forced-circulation oil lubrication
Grease 2800 min-1 Grease lubrication
Oil (Oil-bath) 3400 min-1 Oil-bath lubrication

da (min.) 113 mm Diameter of shaft abutment
dd (min.) 143 mm Diameter of shaft abutment
Da (max.) 202 mm Diameter of housing abutment
ra (max.) 2.5 mm Radius of shaft or housing fillet
rb (max.) 2.5 mm Radius of shaft or housing fillet

Abutment and Fillet Dimensions

Mass approx. 7.87 kg Mass approx.

Similar to product

NUP320ET7