NUP320W
MORE +
CLOSE +

NSK NUP320W

Single-Row Cylindrical Roller Bearings

(BRAND):NSK
(Availability):In Stock

Detailed data of

NUP320W

Designations

NUP320W

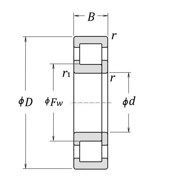
Boundary Dimensions

d 100 mm Bore diameter
D 215 mm Outside diameter
B 47 mm Width
FW 129.5 mm Raceway diameter of inner ring
r (min.) 3 mm Chamfer dimension
r1 (min.) 3 mm Chamfer dimension

Basic Load Ratings

Cr 365000 N Basic dynamic load rating
C0r 335000 N Basic static load rating

Speeds

Thermal Speed Rating (Oil-bath) 4000 min-1 Oil-bath lubrication subject to conditions outlined in ISO 15312
Grease 2200 min-1 Grease lubrication
Oil (Oil-bath) 2800 min-1 Oil-bath lubrication

da (min.) 113 mm Diameter of shaft abutment
dd (min.) 143 mm Diameter of shaft abutment
Da (max.) 202 mm Diameter of housing abutment
ra (max.) 2.5 mm Radius of shaft or housing fillet
rb (max.) 2.5 mm Radius of shaft or housing fillet

Abutment and Fillet Dimensions

Mass approx. 8.11 kg Mass approx.

Similar to product

NUP320W