NUP326EM
MORE +
CLOSE +

NSK NUP326EM

Single-Row Cylindrical Roller Bearings

(BRAND):NSK
(Availability):In Stock

Detailed data of

NUP326EM

Designations

NUP326EM

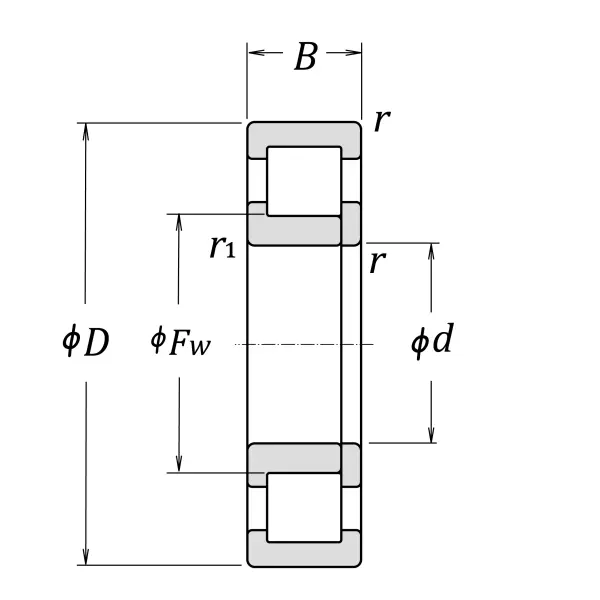
Boundary Dimensions

d 130 mm Bore diameter
D 280 mm Outside diameter
B 58 mm Width
FW 167 mm Raceway diameter of inner ring
r (min.) 4 mm Chamfer dimension
r1 (min.) 4 mm Chamfer dimension

Basic Load Ratings

Cr 760000 N Basic dynamic load rating
C0r 735000 N Basic static load rating

Speeds

Thermal Speed Rating (Oil-bath) 2600 min-1 Oil-bath lubrication subject to conditions outlined in ISO 15312
Mechanical (forced-circulation oil) 4300 min-1 Properly designed and controlled forced-circulation oil lubrication
Grease 2200 min-1 Grease lubrication
Oil (Oil-bath) 2600 min-1 Oil-bath lubrication

da (min.) 146 mm Diameter of shaft abutment
dd (min.) 184 mm Diameter of shaft abutment
Da (max.) 264 mm Diameter of housing abutment
ra (max.) 3 mm Radius of shaft or housing fillet
rb (max.) 3 mm Radius of shaft or housing fillet

Abutment and Fillet Dimensions

Mass approx. 18.9 kg Mass approx.

Similar to product

NUP326EM