UCIP208D1
MORE +
CLOSE +

NSK UCIP208D1

Pillow Block Bearing Units

(BRAND):NSK
(Availability):In Stock

Detailed data of

UCIP208D1

Designations

UCIP208D1

Included products

Bearing
Housing IP208D1 Housing

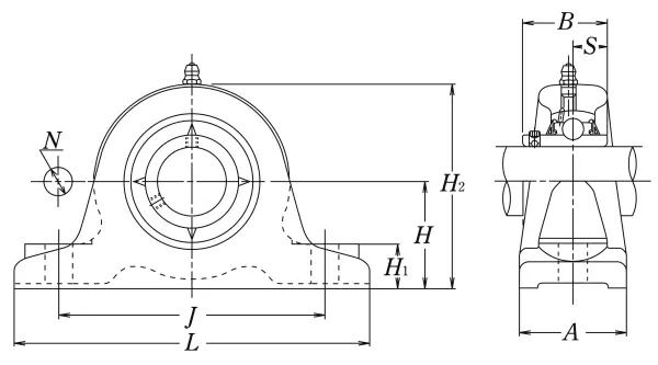
Nominal Dimensions

d 40 mm Bore diameter
L 200 mm Overall length
H 60 mm Height of spherical seat centre
J 150 mm Distance between attachment bolts
N 19 mm Diameter of attachment bolt hole
A 60 mm Base width
H1 25 mm Distance between bottoms of piloting grooves
B 49.2 mm Width of inner ring
S 19 mm Distance from Opposite side face of locking device to raceway centre
H2 115 mm Overall height

Mounting information

G M16 Bolt size

Basic Load Ratings

Cr 29.1 kN Basic dynamic load rating
C0r 17.8 kN Basic static load rating

Mass

mass 3.5 kg Mass approx.

Similar to product

UCIP208D1