UCPE212D1
MORE +
CLOSE +

NSK UCPE212D1

Pillow Block Bearing Units

(BRAND):NSK
(Availability):In Stock

Detailed data of

UCPE212D1

Designations

UCPE212D1

Included products

Bearing
Housing PE212D1 Housing

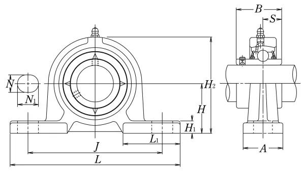
Nominal Dimensions

d 60 mm Bore diameter
N1 22 mm Length of attachment bolt hole
L 220 mm Overall length
H 69.8 mm Height of spherical seat centre
J 184 mm Distance between attachment bolts
N 19 mm Diameter of attachment bolt hole
A 55 mm Base width
H1 17 mm Distance between bottoms of piloting grooves
B 65.1 mm Width of inner ring
S 25.4 mm Distance from Opposite side face of locking device to raceway centre
L1 70 mm Foot width
H2 137 mm Overall height

Mounting information

G M16 Bolt size

Basic Load Ratings

Cr 52.5 kN Basic dynamic load rating
C0r 36 kN Basic static load rating

Mass

mass 3.3 kg Mass approx.

Similar to product

UCPE212D1