UCPG308D1
MORE +
CLOSE +

NSK UCPG308D1

Pillow Block Bearing Units

(BRAND):NSK
(Availability):In Stock

Detailed data of

UCPG308D1

Designations

UCPG308D1

Included products

Bearing
Housing PG308D1 Housing

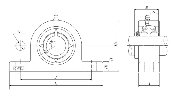
Nominal Dimensions

d 40 mm Bore diameter
L 220 mm Overall length
H 60 mm Height of spherical seat centre
J 170 mm Distance between attachment bolts
N 17 mm Diameter of attachment bolt hole
A 45 mm Base width
H1 22 mm Distance between bottoms of piloting grooves
B 52 mm Width of inner ring
S 19 mm Distance from Opposite side face of locking device to raceway centre
H2 116 mm Overall height

Mounting information

G M14 Bolt size

Basic Load Ratings

Cr 40.5 kN Basic dynamic load rating
C0r 24 kN Basic static load rating

Mass

mass 3 kg Mass approx.

Similar to product

UCPG308D1