UCPG309D1
MORE +
CLOSE +

NSK UCPG309D1

Pillow Block Bearing Units

(BRAND):NSK
(Availability):In Stock

Detailed data of

UCPG309D1

Designations

UCPG309D1

Included products

Bearing
Housing PG309D1 Housing

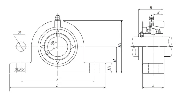
Nominal Dimensions

d 45 mm Bore diameter
L 245 mm Overall length
H 67 mm Height of spherical seat centre
J 190 mm Distance between attachment bolts
N 19 mm Diameter of attachment bolt hole
A 50 mm Base width
H1 24 mm Distance between bottoms of piloting grooves
B 57 mm Width of inner ring
S 22 mm Distance from Opposite side face of locking device to raceway centre
H2 129 mm Overall height

Mounting information

G M16 Bolt size

Basic Load Ratings

Cr 53 kN Basic dynamic load rating
C0r 32 kN Basic static load rating

Mass

mass 4.1 kg Mass approx.

Similar to product

UCPG309D1