UCPX10D1
MORE +
CLOSE +

NSK UCPX10D1

Pillow Block Bearing Units

(BRAND):NSK
(Availability):In Stock

Detailed data of

UCPX10D1

Designations

UCPX10D1

Included products

Bearing
Housing PX10D1 Housing

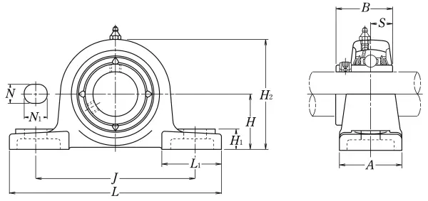
Nominal Dimensions

d 50 mm Bore diameter
N1 23 mm Length of attachment bolt hole
L 241 mm Overall length
H 63.5 mm Height of spherical seat centre
J 171 mm Distance between attachment bolts
N 20 mm Diameter of attachment bolt hole
A 73 mm Base width
H1 27 mm Distance between bottoms of piloting grooves
B 55.6 mm Width of inner ring
S 22.2 mm Distance from Opposite side face of locking device to raceway centre
L1 70 mm Foot width
H2 126 mm Overall height

Mounting information

G M16 Bolt size

Basic Load Ratings

Cr 43.5 kN Basic dynamic load rating
C0r 29.2 kN Basic static load rating

Mass

mass 4.1 kg Mass approx.

Similar to product

UCPX10D1