UELFLU210D1
MORE +
CLOSE +

NSK UELFLU210D1

Oval Flanged Units

(BRAND):NSK
(Availability):In Stock

Detailed data of

UELFLU210D1

Designations

UELFLU210D1

Included products

Bearing
Housing FLU210D1 Housing

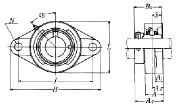
Nominal Dimensions

d 50 mm Bore diameter
L,L1 116 mm Overall height
J 157 mm Distance between attachment bolts
N 18 mm Diameter of attachment bolt hole
A2 28 mm Flange width
A1 20 mm Flange width
A 46 mm Base width
A0 66.1 mm Overall width
B,B1,B2 62.7 mm Width of inner ring
H 190 mm Overall length
S 24.6 mm Distance from Opposite side face of locking device to raceway centre

Mounting information

G M16 Bolt size

Basic Load Ratings

Cr 35 kN Basic dynamic load rating
C0r 23.2 kN Basic static load rating

Mass

mass 2.9 kg Mass approx.

Similar to product

UELFLU210D1