UKFE211D1
MORE +
CLOSE +

NSK UKFE211D1

Oval Flanged Units

(BRAND):NSK
(Availability):In Stock

Detailed data of

UKFE211D1

Designations

UKFE211D1

Included products

Bearing
Housing FE211D1 Housing

Associated products

Adapter sleeve

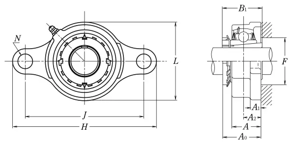
Nominal Dimensions

d 50 mm Bore diameter
L,L1 118 mm Overall height
J 184 mm Distance between attachment bolts
N 19 mm Diameter of attachment bolt hole
A2 25 mm Flange width
A1 18 mm Flange width
A 41 mm Base width
A0 54.5 mm Overall width
B,B1,B2 59 mm Width of inner ring
F 64 mm Diameter of housing abutment
H 216 mm Overall length

Mounting information

G M16 Bolt size

Basic Load Ratings

Cr 43.5 kN Basic dynamic load rating
C0r 29.2 kN Basic static load rating

Similar to product

UKFE211D1