30316DST
MORE +
CLOSE +

NTN 30316DST

Tapered Roller Set - Metric Series

(BRAND):NTN
(Availability):In Stock

Detailed data of

30316DST

Technical Specifications

Type Tapered Roller Bearing
Bore Type Round
Material Case Carburized Steel
Style Cone & Cup
Precision Rating Class 0
Configuration One
Lubrication w/o Oil Hole
e (Axial Load Factor) 0.83
Y2 (Axial Load Factor) 0.73
Y0 (Axial Load Factor) 0.40
Static Load Rating 283000 N
Dynamic Load Rating 236000 N
Enclosure Open
Operating Temperature Range -40 to 120 ºC

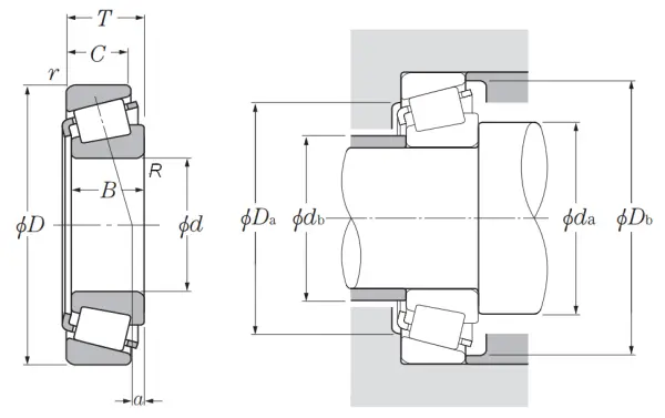
Dimensional Specifications

d 80.000 mm
D 170.000 mm
C 27.000 mm
B 39.000 mm
a (Effective Load Center) 11.000 mm
T 42.500 mm
r 2.500 mm
R 3.0 mm
da 94.0 mm
db 97.0 mm
Da 158.0 mm
Da min 134.0 mm
Db 159.0 mm

Similar to product

30316DST