31324XUS30-W1ND
MORE +
CLOSE +

NTN 31324XUS30-W1ND

Tapered Roller Set - Metric Series

(BRAND):NTN
(Availability):In Stock

Detailed data of

31324XUS30-W1ND

Technical Specifications

Type Tapered Roller Bearing
Bore Type Round
Material Through Hardened Steel
Limiting Speed - Oil 2000 RPM
Limiting Speed - Grease 1500 RPM
Style Cone & Cup
Precision Rating Class 0
Configuration One
Lubrication w/o Oil Hole
e (Axial Load Factor) 0.83
Y2 (Axial Load Factor) 0.73
Y0 (Axial Load Factor) 0.40
Static Load Rating 655000 N
Dynamic Load Rating 515000 N
Enclosure Open
Operating Temperature Range -40 to 120 ºC

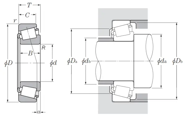
Dimensional Specifications

d 120.000 mm
D 260.000 mm
C 42.000 mm
B 62.000 mm
a (Effective Load Center) 14.500 mm
T 68.000 mm
r 3.000 mm
R 4.0 mm
da 138.0 mm
db 145.0 mm
Da 246.0 mm
Da min 203.0 mm
Db 244.0 mm

Similar to product

31324XUS30-W1ND