AC-6201LLU
MORE +
CLOSE +

NTN AC-6201LLU

AC Bearings

(BRAND):NTN
(Availability):In Stock

Detailed data of

AC-6201LLU

Technical Specifications

Type Ball Bearing
Bore Type Round
Material High Carbon Chrome Steel
Cage Type Pressed
Cage Material Steel
Limiting Speed - Grease 16000 RPM
Precision Class 0
Configuration One
Factor 12.7
Radial Internal Clearance CN
Static Load Rating 2750 N
Dynamic Load Rating 6750 N
Enclosure Double Sealed
Weight 0.037 kg
Operating Temperature Range -40 to 120 ºC

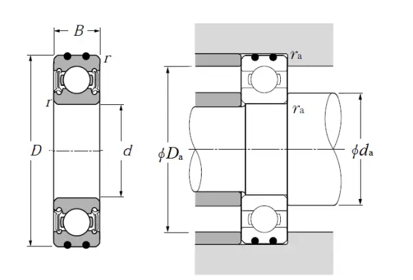
Dimensional Specifications

d 12.000 mm
D 32.000 mm
B 10.000 mm
r 0.600 mm
da min 16.000 mm
da max 17.000 mm
Da max 28.000 mm
ras max 0.600 mm

Similar to product

AC-6201LLU