6319-J20AA
MORE +
CLOSE +

FAG 6319-J20AA

Deep groove ball bearing 63..-J20AA, single row, steel sheet metal cage, ceramic coated
(BRAND):FAG
(Availability):In Stock

Detailed data of

6319-J20AA

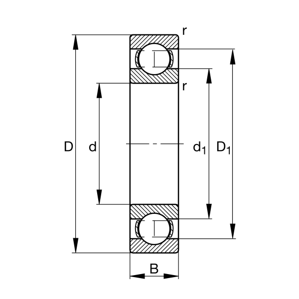
Main Dimensions & Performance Data

d 95 mm Bore diameter
D 200 mm Outside diameter
B 45 mm Width
Cr 154,000 N Basic dynamic load rating, radial
C0r 113,000 N Basic static load rating, radial
Cur 6,600 N Fatigue load limit, radial
CG 4,600 1/min Limiting speed
nϑr 4,950 1/min Reference speed
≈m 5.842 kg Weight

Mounting dimensions

da min 109 mm Minimum diameter shaft shoulder
da min 186 mm Maximum diameter of housing shoulder
ra max 2.5 mm Maximum fillet radius

Similar to product

6319-J20AA