Home
Brand
SKF
IKO
INA
FAG
KOYO
TIMKEN
NSK
NTN
PRECISION BEARINGS
MCGILL
THK
About us
Contact us
News
Search
Home
>
Brand
>
FAG
>
Ball Bearings
>
Deep Groove Ball Bearings
6334-G
MORE +
CLOSE +
FAG 6334-G
Deep Groove Ball Bearings
Deep groove ball bearing 63..-G, single row, generator bearing, steel sheet metal cage
(BRAND):FAG
(Availability):In Stock
(EMAIL):info@noksbearings.com
Detailed data of Product
similar to product
Detailed data of
6334-G
Deep Groove Ball Bearings
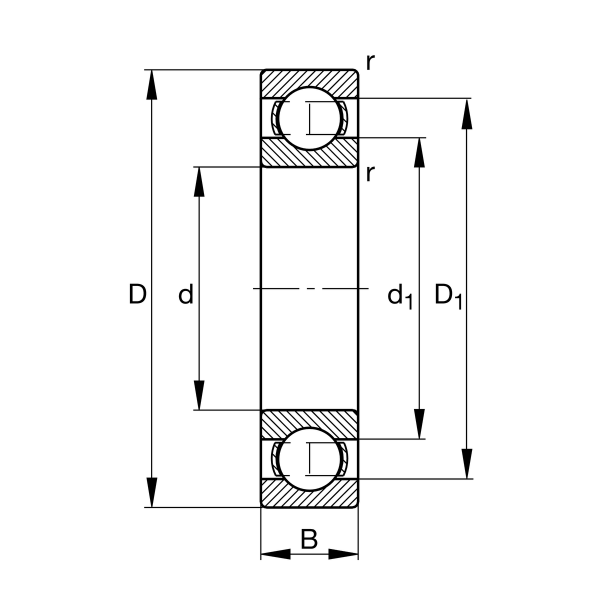
Main Dimensions & Performance Data
d
170 mm
Bore diameter
D
360 mm
Outside diameter
B
72 mm
Width
C
r
325,000 N
Basic dynamic load rating, radial
C
0r
410,000 N
Basic static load rating, radial
C
ur
13,200 N
Fatigue load limit, radial
C
G
2,500 1/min
Limiting speed
nϑr
2,550 1/min
Reference speed
≈m
32.2 kg
Weight
Mounting dimensions
d
a min
187 mm
Minimum diameter shaft shoulder
d
a min
343 mm
Maximum diameter of housing shoulder
r
a max
3 mm
Maximum fillet radius
Similar to product
6334-G
Deep Groove Ball Bearings
6338-M-J20C-C3
Shell
Deep Groove Ball Bearings
Read More
6338-M-J20C-C4
Shell
Deep Groove Ball Bearings
Read More
6044-M-J20AA-C3
Shell
Deep Groove Ball Bearings
Read More
6344-M-J20AA-C3
Shell
Deep Groove Ball Bearings
Read More
6332-M-J20C-C3
Shell
Deep Groove Ball Bearings
Read More
6332-M-J20C-C4
Shell
Deep Groove Ball Bearings
Read More
6034-M-J20C-C3
Shell
Deep Groove Ball Bearings
Read More
6234-M-J20AA-C3
Shell
Deep Groove Ball Bearings
Read More
6234-M-J20AA-C4
Shell
Deep Groove Ball Bearings
Read More
6334-M-J20AA
Shell
Deep Groove Ball Bearings
Read More