6336-M-J20AA
MORE +
CLOSE +

FAG 6336-M-J20AA

Deep groove ball bearing 63..-M-J20AA, single row, solid brass cage, ceramic coated
(BRAND):FAG
(Availability):In Stock

Detailed data of

6336-M-J20AA

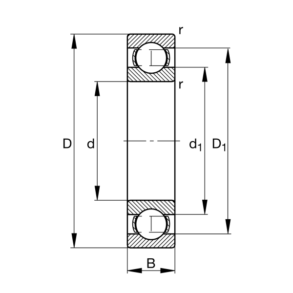
Main Dimensions & Performance Data

d 180 mm Bore diameter
D 380 mm Outside diameter
B 75 mm Width
Cr 355,000 N Basic dynamic load rating, radial
C0r 405,000 N Basic static load rating, radial
Cur 16,800 N Fatigue load limit, radial
CG 3,000 1/min Limiting speed
nϑr 2,440 1/min Reference speed
≈m 42.4 kg Weight

Mounting dimensions

da min 197 mm Minimum diameter shaft shoulder
da min 363 mm Maximum diameter of housing shoulder
ra max 3 mm Maximum fillet radius

Similar to product

6336-M-J20AA