CF-1 7/8
MORE +
CLOSE +
(BRAND):MCGILL
(Availability):In Stock

Detailed data of

CF-1 7/8

Description

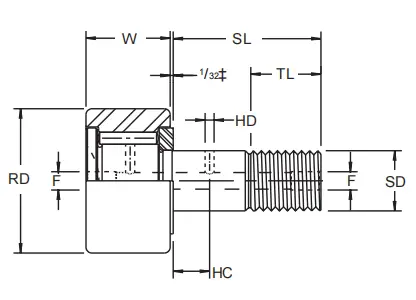
ROLLER DIA.(RD)
1.875
ROLLER WIDTH (W)
1.000
STUD DIA. (SD)
.750
STUD L'GTH.(SL)
1 3/4
MIN. THR'D L'GTH.(TL)
7/8
FINE THR'DS.
3/4-16
HOLE CENTER(HC)
7/16
HOLE DIA.(HD)
3/32
LUB. FIT- TING SIZE (F)*
3/16
MIN. BOSS DIA.
1 3/64
HOUSING BORE DIA.
.7503
***RECOM. CLAMPING TORQUE LBS.-IN.
1250
MAX. STATIC CAPACITY LBS.
7920
BASIC DYN. RATING LBS.
6385

Similar to product

CF-1 7/8