6008N
MORE +
CLOSE +

NSK 6008N

Single-Row Deep Groove Ball Bearings

(BRAND):NSK
(Availability):In Stock

Detailed data of

6008N

Designations

6008N

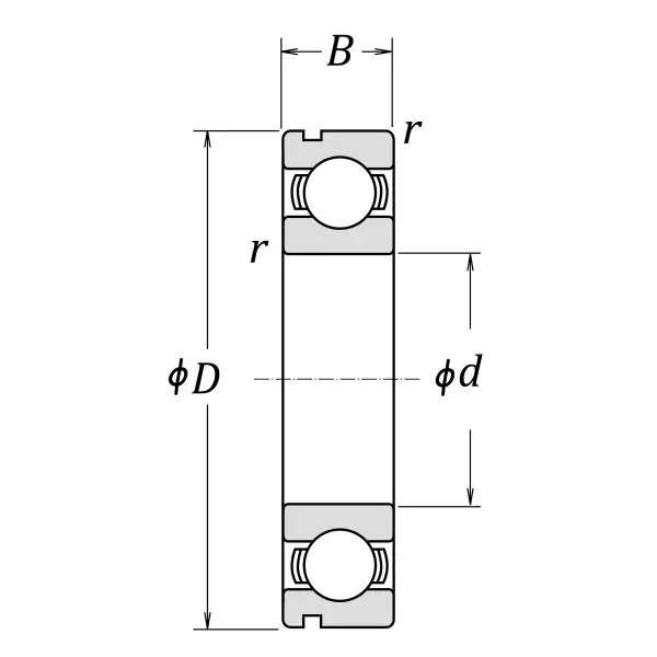
Boundary Dimensions

d 40 mm Bore diameter
D 68 mm Outside diameter
B 15 mm Width
r (min.) 1 mm Chamfer dimension

Basic Load Ratings

Cr 18400 N Basic dynamic load rating
C0r 11500 N Basic static load rating

Speeds

Grease 12000 min-1 Grease lubrication
Oil (Oil-bath) 14000 min-1 Oil-bath lubrication

a (min.) 2.49 mm Distance outer ring from side face to snap ring groove
b (min.) 1.9 mm Width of snap ring groove
D1 (max.) 64.82 mm Diameter of snap ring groove
ro (max.) 0.6 mm Bottom radius of snap ring groove
rN 0.5 mm Chamfer dimension

Dimensions

da (min.) 45 mm Diameter of shaft abutment
da (max.) 47.5 mm Diameter of shaft abutment
Da (max.) 63 mm Diameter of housing abutment
ra (max.) 1 mm Radius of shaft or housing fillet
Dx (min.) 76 mm Diameter of snap ring recess in the housing
Cy (max.) 3.8 mm Distance from outer ring side face to snap ring back face

Similar to product

6008N