6018NR
MORE +
CLOSE +

NSK 6018NR

Single-Row Deep Groove Ball Bearings

(BRAND):NSK
(Availability):In Stock

Detailed data of

6018NR

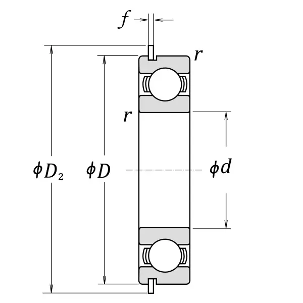
Designations

6018NR

Boundary Dimensions

d 90 mm Bore diameter
D 140 mm Outside diameter
B 24 mm Width
r (min.) 1.5 mm Chamfer dimension

Basic Load Ratings

Cr 64000 N Basic dynamic load rating
C0r 50000 N Basic static load rating

Speeds

Grease 5600 min-1 Grease lubrication
Oil (Oil-bath) 6300 min-1 Oil-bath lubrication

D2 (max.) 149.7 mm Outside diameter of snap ring
f (max.) 2.82 mm Width of snap ring
a (min.) 3.71 mm Distance outer ring from side face to snap ring groove
b (min.) 3.1 mm Width of snap ring groove
D1 (max.) 135.23 mm Diameter of snap ring groove
ro (max.) 0.6 mm Bottom radius of snap ring groove
rN 0.5 mm Chamfer dimension

Dimensions

da (min.) 98 mm Diameter of shaft abutment
da (max.) 103 mm Diameter of shaft abutment
Da (max.) 132 mm Diameter of housing abutment
ra (max.) 1.5 mm Radius of shaft or housing fillet
Dx (min.) 152 mm Diameter of snap ring recess in the housing
Cy (max.) 6.1 mm Distance from outer ring side face to snap ring back face

Similar to product

6018NR