6217NR
MORE +
CLOSE +

NSK 6217NR

Single-Row Deep Groove Ball Bearings

(BRAND):NSK
(Availability):In Stock

Detailed data of

6217NR

Designations

6217NR

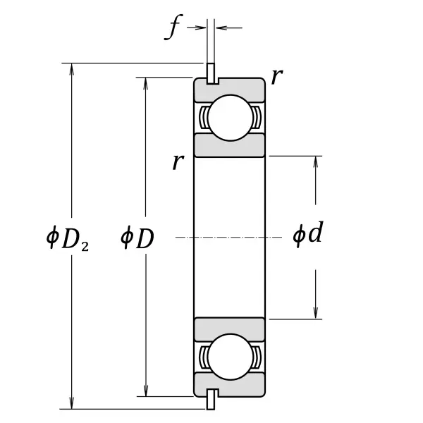
Boundary Dimensions

d 85 mm Bore diameter
D 150 mm Outside diameter
B 28 mm Width
r (min.) 2 mm Chamfer dimension

Basic Load Ratings

Cr 92500 N Basic dynamic load rating
C0r 62000 N Basic static load rating

Speeds

Grease 4800 min-1 Grease lubrication
Oil (Oil-bath) 6000 min-1 Oil-bath lubrication

D2 (max.) 159.7 mm Outside diameter of snap ring
f (max.) 2.82 mm Width of snap ring
a (min.) 4.9 mm Distance outer ring from side face to snap ring groove
b (min.) 3.1 mm Width of snap ring groove
D1 (max.) 145.24 mm Diameter of snap ring groove
ro (max.) 0.6 mm Bottom radius of snap ring groove
rN 0.5 mm Chamfer dimension

Dimensions

da (min.) 94 mm Diameter of shaft abutment
da (max.) 102 mm Diameter of shaft abutment
Da (max.) 141 mm Diameter of housing abutment
ra (max.) 2 mm Radius of shaft or housing fillet
Dx (min.) 162 mm Diameter of snap ring recess in the housing
Cy (max.) 7.3 mm Distance from outer ring side face to snap ring back face

Similar to product

6217NR