6222NR
MORE +
CLOSE +

NSK 6222NR

Single-Row Deep Groove Ball Bearings

(BRAND):NSK
(Availability):In Stock

Detailed data of

6222NR

Designations

6222NR

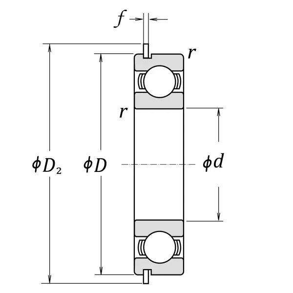
Boundary Dimensions

d 110 mm Bore diameter
D 200 mm Outside diameter
B 38 mm Width
r (min.) 2.1 mm Chamfer dimension

Basic Load Ratings

Cr 159000 N Basic dynamic load rating
C0r 117000 N Basic static load rating

Speeds

Grease 2800 min-1 Grease lubrication
Oil (Oil-bath) 3400 min-1 Oil-bath lubrication

D2 (max.) 212.9 mm Outside diameter of snap ring
f (max.) 3.1 mm Width of snap ring
a (min.) 5.69 mm Distance outer ring from side face to snap ring groove
b (min.) 3.5 mm Width of snap ring groove
D1 (max.) 193.65 mm Diameter of snap ring groove
ro (max.) 0.6 mm Bottom radius of snap ring groove
rN 0.5 mm Chamfer dimension

Dimensions

da (min.) 121 mm Diameter of shaft abutment
da (max.) 134 mm Diameter of shaft abutment
Da (max.) 189 mm Diameter of housing abutment
ra (max.) 2 mm Radius of shaft or housing fillet
Dx (min.) 215 mm Diameter of snap ring recess in the housing
Cy (max.) 8.4 mm Distance from outer ring side face to snap ring back face

Similar to product

6222NR