6318NR
MORE +
CLOSE +

NSK 6318NR

Single-Row Deep Groove Ball Bearings

(BRAND):NSK
(Availability):In Stock

Detailed data of

6318NR

Designations

6318NR

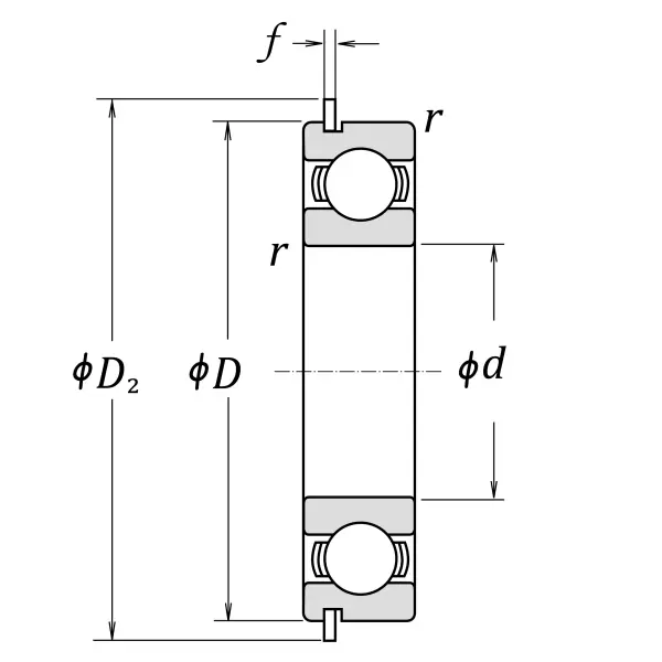
Boundary Dimensions

d 90 mm Bore diameter
D 190 mm Outside diameter
B 43 mm Width
r (min.) 3 mm Chamfer dimension

Basic Load Ratings

Cr 157000 N Basic dynamic load rating
C0r 107000 N Basic static load rating

Speeds

Grease 4000 min-1 Grease lubrication
Oil (Oil-bath) 4800 min-1 Oil-bath lubrication

D2 (max.) 202.9 mm Outside diameter of snap ring
f (max.) 3.1 mm Width of snap ring
a (min.) 5.69 mm Distance outer ring from side face to snap ring groove
b (min.) 3.5 mm Width of snap ring groove
D1 (max.) 183.64 mm Diameter of snap ring groove
ro (max.) 0.6 mm Bottom radius of snap ring groove
rN 0.5 mm Chamfer dimension

Dimensions

da (min.) 103 mm Diameter of shaft abutment
da (max.) 117 mm Diameter of shaft abutment
Da (max.) 177 mm Diameter of housing abutment
ra (max.) 2.5 mm Radius of shaft or housing fillet
Dx (min.) 205 mm Diameter of snap ring recess in the housing
Cy (max.) 8.4 mm Distance from outer ring side face to snap ring back face

Similar to product

6318NR