6319N
MORE +
CLOSE +

NSK 6319N

Single-Row Deep Groove Ball Bearings

(BRAND):NSK
(Availability):In Stock

Detailed data of

6319N

Designations

6319N

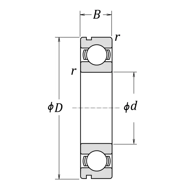
Boundary Dimensions

d 95 mm Bore diameter
D 200 mm Outside diameter
B 45 mm Width
r (min.) 3 mm Chamfer dimension

Basic Load Ratings

Cr 168000 N Basic dynamic load rating
C0r 119000 N Basic static load rating

Speeds

Grease 3400 min-1 Grease lubrication
Oil (Oil-bath) 4300 min-1 Oil-bath lubrication

a (min.) 5.69 mm Distance outer ring from side face to snap ring groove
b (min.) 3.5 mm Width of snap ring groove
D1 (max.) 193.65 mm Diameter of snap ring groove
ro (max.) 0.6 mm Bottom radius of snap ring groove
rN 0.5 mm Chamfer dimension

Dimensions

da (min.) 108 mm Diameter of shaft abutment
da (max.) 123.5 mm Diameter of shaft abutment
Da (max.) 187 mm Diameter of housing abutment
ra (max.) 2.5 mm Radius of shaft or housing fillet
Dx (min.) 215 mm Diameter of snap ring recess in the housing
Cy (max.) 8.4 mm Distance from outer ring side face to snap ring back face

Similar to product

6319N