6817N
MORE +
CLOSE +

NSK 6817N

Single-Row Deep Groove Ball Bearings

(BRAND):NSK
(Availability):In Stock

Detailed data of

6817N

Designations

6817N

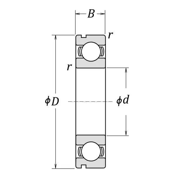
Boundary Dimensions

d 85 mm Bore diameter
D 110 mm Outside diameter
B 13 mm Width
r (min.) 1 mm Chamfer dimension

Basic Load Ratings

Cr 20600 N Basic dynamic load rating
C0r 20000 N Basic static load rating

Speeds

Grease 5600 min-1 Grease lubrication
Oil (Oil-bath) 6700 min-1 Oil-bath lubrication

a (min.) 2.1 mm Distance outer ring from side face to snap ring groove
b (min.) 1.3 mm Width of snap ring groove
D1 (max.) 107.6 mm Diameter of snap ring groove
ro (max.) 0.4 mm Bottom radius of snap ring groove
rN 0.5 mm Chamfer dimension

Dimensions

da (min.) 90 mm Diameter of shaft abutment
da (max.) 90.5 mm Diameter of shaft abutment
Da (max.) 105 mm Diameter of housing abutment
ra (max.) 1 mm Radius of shaft or housing fillet
Dx (min.) 117 mm Diameter of snap ring recess in the housing
Cy (max.) 2.9 mm Distance from outer ring side face to snap ring back face

Similar to product

6817N