6818N
MORE +
CLOSE +

NSK 6818N

Single-Row Deep Groove Ball Bearings

(BRAND):NSK
(Availability):In Stock

Detailed data of

6818N

Designations

6818N

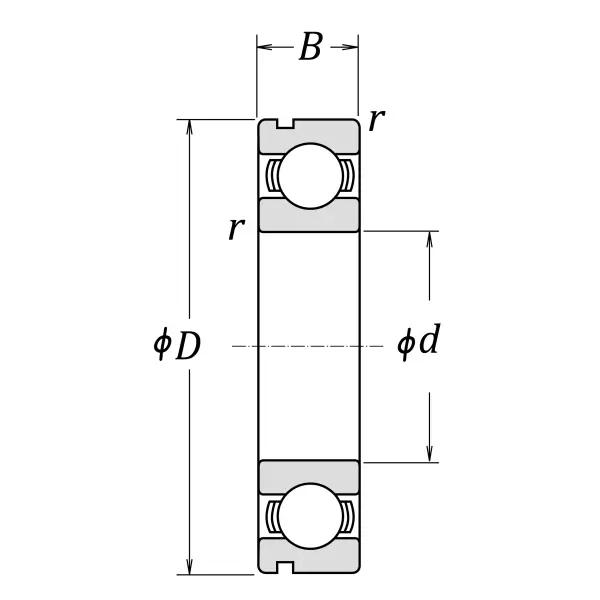
Boundary Dimensions

d 90 mm Bore diameter
D 115 mm Outside diameter
B 13 mm Width
r (min.) 1 mm Chamfer dimension

Basic Load Ratings

Cr 20900 N Basic dynamic load rating
C0r 21000 N Basic static load rating

Speeds

Grease 5300 min-1 Grease lubrication
Oil (Oil-bath) 6300 min-1 Oil-bath lubrication

a (min.) 2.1 mm Distance outer ring from side face to snap ring groove
b (min.) 1.3 mm Width of snap ring groove
D1 (max.) 112.6 mm Diameter of snap ring groove
ro (max.) 0.4 mm Bottom radius of snap ring groove
rN 0.5 mm Chamfer dimension

Dimensions

da (min.) 95 mm Diameter of shaft abutment
da (max.) 95.5 mm Diameter of shaft abutment
Da (max.) 110 mm Diameter of housing abutment
ra (max.) 1 mm Radius of shaft or housing fillet
Dx (min.) 122 mm Diameter of snap ring recess in the housing
Cy (max.) 2.9 mm Distance from outer ring side face to snap ring back face

Similar to product

6818N