6830N
MORE +
CLOSE +

NSK 6830N

Single-Row Deep Groove Ball Bearings

(BRAND):NSK
(Availability):In Stock

Detailed data of

6830N

Designations

6830N

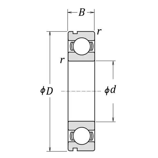
Boundary Dimensions

d 150 mm Bore diameter
D 190 mm Outside diameter
B 20 mm Width
r (min.) 1.1 mm Chamfer dimension

Basic Load Ratings

Cr 52500 N Basic dynamic load rating
C0r 58500 N Basic static load rating

Speeds

Grease 3200 min-1 Grease lubrication
Oil (Oil-bath) 3800 min-1 Oil-bath lubrication

a (min.) 3.3 mm Distance outer ring from side face to snap ring groove
b (min.) 1.9 mm Width of snap ring groove
D1 (max.) 186.8 mm Diameter of snap ring groove
ro (max.) 0.6 mm Bottom radius of snap ring groove
rN 0.5 mm Chamfer dimension

Dimensions

da (min.) 156.5 mm Diameter of shaft abutment
da (max.) 160 mm Diameter of shaft abutment
Da (max.) 183.5 mm Diameter of housing abutment
ra (max.) 1 mm Radius of shaft or housing fillet
Dx (min.) 198 mm Diameter of snap ring recess in the housing
Cy (max.) 4.7 mm Distance from outer ring side face to snap ring back face

Similar to product

6830N