6832NR
MORE +
CLOSE +

NSK 6832NR

Single-Row Deep Groove Ball Bearings

(BRAND):NSK
(Availability):In Stock

Detailed data of

6832NR

Designations

6832NR

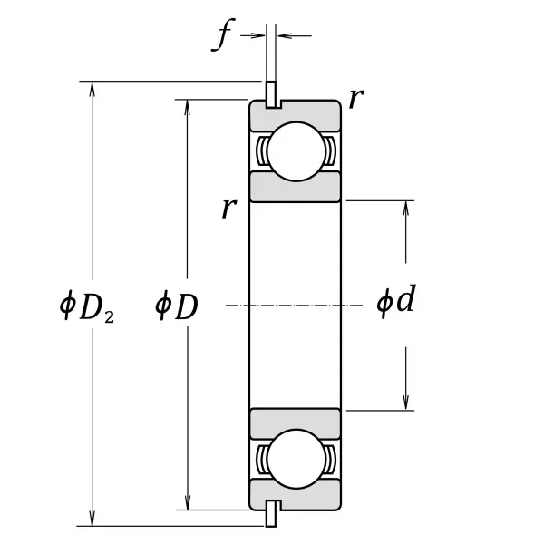
Boundary Dimensions

d 160 mm Bore diameter
D 200 mm Outside diameter
B 20 mm Width
r (min.) 1.1 mm Chamfer dimension

Basic Load Ratings

Cr 53000 N Basic dynamic load rating
C0r 61000 N Basic static load rating

Speeds

Grease 2600 min-1 Grease lubrication
Oil (Oil-bath) 3200 min-1 Oil-bath lubrication

D2 (max.) 206.5 mm Outside diameter of snap ring
f (max.) 1.7 mm Width of snap ring
a (min.) 3.3 mm Distance outer ring from side face to snap ring groove
b (min.) 1.9 mm Width of snap ring groove
D1 (max.) 196.8 mm Diameter of snap ring groove
ro (max.) 0.6 mm Bottom radius of snap ring groove
rN 0.5 mm Chamfer dimension

Dimensions

da (min.) 166.5 mm Diameter of shaft abutment
da (max.) 170.5 mm Diameter of shaft abutment
Da (max.) 193.5 mm Diameter of housing abutment
ra (max.) 1 mm Radius of shaft or housing fillet
Dx (min.) 208 mm Diameter of snap ring recess in the housing
Cy (max.) 4.7 mm Distance from outer ring side face to snap ring back face

Similar to product

6832NR