6915NR
MORE +
CLOSE +

NSK 6915NR

Single-Row Deep Groove Ball Bearings

(BRAND):NSK
(Availability):In Stock

Detailed data of

6915NR

Designations

6915NR

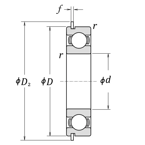
Boundary Dimensions

d 75 mm Bore diameter
D 105 mm Outside diameter
B 16 mm Width
r (min.) 1 mm Chamfer dimension

Basic Load Ratings

Cr 26800 N Basic dynamic load rating
C0r 22600 N Basic static load rating

Speeds

Grease 6000 min-1 Grease lubrication
Oil (Oil-bath) 7100 min-1 Oil-bath lubrication

D2 (max.) 110.7 mm Outside diameter of snap ring
f (max.) 1.12 mm Width of snap ring
a (min.) 2.5 mm Distance outer ring from side face to snap ring groove
b (min.) 1.3 mm Width of snap ring groove
D1 (max.) 102.6 mm Diameter of snap ring groove
ro (max.) 0.4 mm Bottom radius of snap ring groove
rN 0.5 mm Chamfer dimension

Dimensions

da (min.) 80 mm Diameter of shaft abutment
da (max.) 82 mm Diameter of shaft abutment
Da (max.) 100 mm Diameter of housing abutment
ra (max.) 1 mm Radius of shaft or housing fillet
Dx (min.) 112 mm Diameter of snap ring recess in the housing
Cy (max.) 3.3 mm Distance from outer ring side face to snap ring back face

Similar to product

6915NR