6919NR
MORE +
CLOSE +

NSK 6919NR

Single-Row Deep Groove Ball Bearings

(BRAND):NSK
(Availability):In Stock

Detailed data of

6919NR

Designations

6919NR

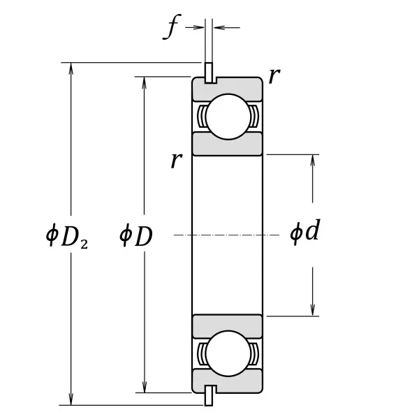
Boundary Dimensions

d 95 mm Bore diameter
D 130 mm Outside diameter
B 18 mm Width
r (min.) 1.1 mm Chamfer dimension

Basic Load Ratings

Cr 37000 N Basic dynamic load rating
C0r 33500 N Basic static load rating

Speeds

Grease 4800 min-1 Grease lubrication
Oil (Oil-bath) 5600 min-1 Oil-bath lubrication

D2 (max.) 135.7 mm Outside diameter of snap ring
f (max.) 1.12 mm Width of snap ring
a (min.) 3.3 mm Distance outer ring from side face to snap ring groove
b (min.) 1.3 mm Width of snap ring groove
D1 (max.) 127.6 mm Diameter of snap ring groove
ro (max.) 0.4 mm Bottom radius of snap ring groove
rN 0.5 mm Chamfer dimension

Dimensions

da (min.) 101.5 mm Diameter of shaft abutment
da (max.) 103.5 mm Diameter of shaft abutment
Da (max.) 123.5 mm Diameter of housing abutment
ra (max.) 1 mm Radius of shaft or housing fillet
Dx (min.) 137 mm Diameter of snap ring recess in the housing
Cy (max.) 4.1 mm Distance from outer ring side face to snap ring back face

Similar to product

6919NR