6920N
MORE +
CLOSE +

NSK 6920N

Single-Row Deep Groove Ball Bearings

(BRAND):NSK
(Availability):In Stock

Detailed data of

6920N

Designations

6920N

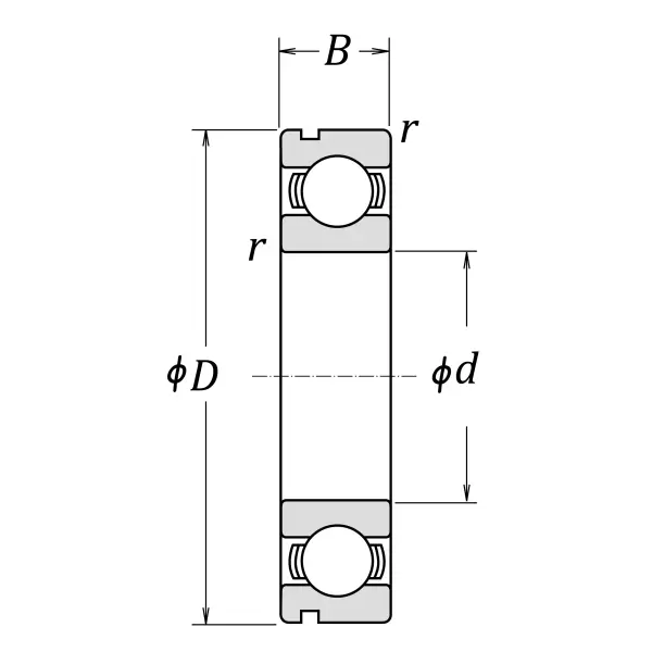
Boundary Dimensions

d 100 mm Bore diameter
D 140 mm Outside diameter
B 20 mm Width
r (min.) 1.1 mm Chamfer dimension

Basic Load Ratings

Cr 47000 N Basic dynamic load rating
C0r 42000 N Basic static load rating

Speeds

Grease 4500 min-1 Grease lubrication
Oil (Oil-bath) 5300 min-1 Oil-bath lubrication

a (min.) 3.3 mm Distance outer ring from side face to snap ring groove
b (min.) 1.9 mm Width of snap ring groove
D1 (max.) 137.6 mm Diameter of snap ring groove
ro (max.) 0.6 mm Bottom radius of snap ring groove
rN 0.5 mm Chamfer dimension

Dimensions

da (min.) 106.5 mm Diameter of shaft abutment
da (max.) 111 mm Diameter of shaft abutment
Da (max.) 133.5 mm Diameter of housing abutment
ra (max.) 1 mm Radius of shaft or housing fillet
Dx (min.) 147 mm Diameter of snap ring recess in the housing
Cy (max.) 4.7 mm Distance from outer ring side face to snap ring back face

Similar to product

6920N