6924NR
MORE +
CLOSE +

NSK 6924NR

Single-Row Deep Groove Ball Bearings

(BRAND):NSK
(Availability):In Stock

Detailed data of

6924NR

Designations

6924NR

Boundary Dimensions

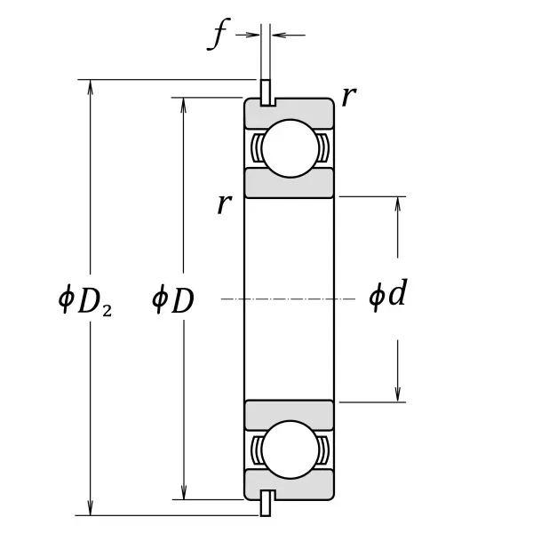
d 120 mm Bore diameter
D 165 mm Outside diameter
B 22 mm Width
r (min.) 1.1 mm Chamfer dimension

Basic Load Ratings

Cr 58500 N Basic dynamic load rating
C0r 54000 N Basic static load rating

Speeds

Grease 3800 min-1 Grease lubrication
Oil (Oil-bath) 4500 min-1 Oil-bath lubrication

D2 (max.) 171.5 mm Outside diameter of snap ring
f (max.) 1.7 mm Width of snap ring
a (min.) 3.7 mm Distance outer ring from side face to snap ring groove
b (min.) 1.9 mm Width of snap ring groove
D1 (max.) 161.8 mm Diameter of snap ring groove
ro (max.) 0.6 mm Bottom radius of snap ring groove
rN 0.5 mm Chamfer dimension

Dimensions

da (min.) 126.5 mm Diameter of shaft abutment
da (max.) 132 mm Diameter of shaft abutment
Da (max.) 158.5 mm Diameter of housing abutment
ra (max.) 1 mm Radius of shaft or housing fillet
Dx (min.) 173 mm Diameter of snap ring recess in the housing
Cy (max.) 5.1 mm Distance from outer ring side face to snap ring back face

Similar to product

6924NR