C-UCT208D1
MORE +
CLOSE +

NSK C-UCT208D1

Take-up Units

(BRAND):NSK
(Availability):In Stock

Detailed data of

C-UCT208D1

Designations

C-UCT208D1

Included products

Bearing
Housing T208D1 Housing

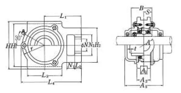
Nominal Dimensions

d 40 mm Bore diameter
L,L4 144 mm Overall length
L4 144 mm Overall length
H2 83 mm Height of attachment end
H 114 mm Overall height
N2 49 mm Height of attachment slot
N1 19 mm Length of attachment slot
N 29 mm Diameter of attachment bolt hole
L3 83 mm Length of piloting groove
L2 18 mm Length attachment end
L1 88 mm Distance from attachment end face to centre line of spherical seat diameter
A2 33 mm Flange width
A1 16 mm Flange width
r 56 mm Housing radius
A5 90 mm Width including end cover
t 3 mm Clearance
A 49 mm Overall width
H1 102 mm Distance between bottoms of piloting grooves
B 49.2 mm Width of inner ring
S 19 mm Distance from Opposite side face of locking device to raceway centre

Basic Load Ratings

Cr 29.1 kN Basic dynamic load rating
C0r 17.8 kN Basic static load rating

Mass

mass 3.1 kg Mass approx.

Similar to product

C-UCT208D1