Home
Brand
SKF
IKO
INA
FAG
KOYO
TIMKEN
NSK
NTN
PRECISION BEARINGS
MCGILL
THK
About us
Contact us
News
Search
Home
>
Brand
>
NSK
>
Bearing Units
>
Take-up Units
C-UCT214D1
MORE +
CLOSE +
NSK C-UCT214D1
Take-up Units
(BRAND):NSK
(Availability):In Stock
(EMAIL):info@noksbearings.com
Detailed data of Product
similar to product
Detailed data of
C-UCT214D1
Take-up Units
Designations
C-UCT214D1
Included products
Bearing
Housing
T214D1
Housing
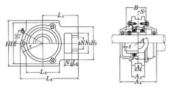
Nominal Dimensions
d
70
mm
Bore diameter
L,L4
224
mm
Overall length
L4
224
mm
Overall length
H2
111
mm
Height of attachment end
H
167
mm
Overall height
N2
70
mm
Height of attachment slot
N1
32
mm
Length of attachment slot
N
41
mm
Diameter of attachment bolt hole
L3
121
mm
Length of piloting groove
L2
23
mm
Length attachment end
L1
137
mm
Distance from attachment end face to centre line of spherical seat diameter
A2
46
mm
Flange width
A1
26
mm
Flange width
r
87
mm
Housing radius
A5
135
mm
Width including end cover
t
4
mm
Clearance
A
70
mm
Overall width
H1
151
mm
Distance between bottoms of piloting grooves
B
74.6
mm
Width of inner ring
S
30.2
mm
Distance from Opposite side face of locking device to raceway centre
Basic Load Ratings
Cr
62
kN
Basic dynamic load rating
C0r
44
kN
Basic static load rating
Mass
mass
9.1
kg
Mass approx.
Similar to product
C-UCT214D1
Take-up Units
C-UKT326D1
Shell
Take-up Units
Read More
CM-UKT326D1
Shell
Take-up Units
Read More
UCT324D1
Shell
Take-up Units
Read More
C-UCT324D1
Shell
Take-up Units
Read More
CM-UCT324D1
Shell
Take-up Units
Read More
UKT328D1
Shell
Take-up Units
Read More
C-UKT328D1
Shell
Take-up Units
Read More
CM-UKT328D1
Shell
Take-up Units
Read More
UCT326D1
Shell
Take-up Units
Read More
C-UCT326D1
Shell
Take-up Units
Read More