C-UCT306D1
MORE +
CLOSE +

NSK C-UCT306D1

Take-up Units

(BRAND):NSK
(Availability):In Stock

Detailed data of

C-UCT306D1

Designations

C-UCT306D1

Included products

Bearing
Housing T306D1 Housing

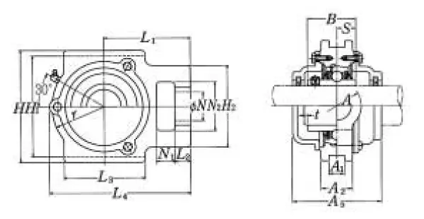
Nominal Dimensions

d 30 mm Bore diameter
L,L4 139 mm Overall length
L4 139 mm Overall length
H2 70 mm Height of attachment end
H 100 mm Overall height
N2 41 mm Height of attachment slot
N1 18 mm Length of attachment slot
N 28 mm Diameter of attachment bolt hole
L3 74 mm Length of piloting groove
L2 16 mm Length attachment end
L1 85 mm Distance from attachment end face to centre line of spherical seat diameter
A2 28 mm Flange width
A1 16 mm Flange width
r 52 mm Housing radius
A5 85 mm Width including end cover
t 2 mm Clearance
A 41 mm Overall width
H1 90 mm Distance between bottoms of piloting grooves
B 43 mm Width of inner ring
S 17 mm Distance from Opposite side face of locking device to raceway centre

Basic Load Ratings

Cr 26.7 kN Basic dynamic load rating
C0r 15 kN Basic static load rating

Mass

mass 2.4 kg Mass approx.

Similar to product

C-UCT306D1