CM-UCT309D1
MORE +
CLOSE +

NSK CM-UCT309D1

Take-up Units

(BRAND):NSK
(Availability):In Stock

Detailed data of

CM-UCT309D1

Designations

CM-UCT309D1

Included products

Bearing
Housing T309D1 Housing

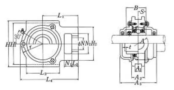
Nominal Dimensions

d 45 mm Bore diameter
L,L4 181 mm Overall length
L4 181 mm Overall length
H2 90 mm Height of attachment end
H 138 mm Overall height
N2 55 mm Height of attachment slot
N1 24 mm Length of attachment slot
N 34 mm Diameter of attachment bolt hole
L3 97 mm Length of piloting groove
L2 20 mm Length attachment end
L1 110 mm Distance from attachment end face to centre line of spherical seat diameter
A2 38 mm Flange width
A1 18 mm Flange width
r 68 mm Housing radius
A5 110 mm Width including end cover
t 3 mm Clearance
A 55 mm Overall width
H1 125 mm Distance between bottoms of piloting grooves
B 57 mm Width of inner ring
S 22 mm Distance from Opposite side face of locking device to raceway centre

Basic Load Ratings

Cr 53 kN Basic dynamic load rating
C0r 32 kN Basic static load rating

Mass

mass 5.4 kg Mass approx.

Similar to product

CM-UCT309D1