CM-UCTX11D1
MORE +
CLOSE +

NSK CM-UCTX11D1

Take-up Units

(BRAND):NSK
(Availability):In Stock

Detailed data of

CM-UCTX11D1

Designations

CM-UCTX11D1

Included products

Bearing
Housing TX11D1 Housing

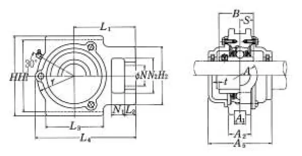
Nominal Dimensions

d 55 mm Bore diameter
L,L4 194 mm Overall length
L4 194 mm Overall length
H2 102 mm Height of attachment end
H 146 mm Overall height
N2 64 mm Height of attachment slot
N1 32 mm Length of attachment slot
N 35 mm Diameter of attachment bolt hole
L3 102 mm Length of piloting groove
L2 21 mm Length attachment end
L1 119 mm Distance from attachment end face to centre line of spherical seat diameter
A2 44 mm Flange width
A1 22 mm Flange width
r 75 mm Housing radius
A5 115 mm Width including end cover
t 4 mm Clearance
A 64 mm Overall width
H1 130 mm Distance between bottoms of piloting grooves
B 65.1 mm Width of inner ring
S 25.4 mm Distance from Opposite side face of locking device to raceway centre

Basic Load Ratings

Cr 52.5 kN Basic dynamic load rating
C0r 36 kN Basic static load rating

Mass

mass 6.7 kg Mass approx.

Similar to product

CM-UCTX11D1