CM-UKT308D1
MORE +
CLOSE +

NSK CM-UKT308D1

Take-up Units

(BRAND):NSK
(Availability):In Stock

Detailed data of

CM-UKT308D1

Designations

CM-UKT308D1

Included products

Bearing
Housing T308D1 Housing

Associated products

Adapter sleeve

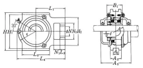
Nominal Dimensions

d 35 mm Bore diameter
L,L4 164 mm Overall length
L4 164 mm Overall length
H2 83 mm Height of attachment end
H 124 mm Overall height
N2 50 mm Height of attachment slot
N1 22 mm Length of attachment slot
N 32 mm Diameter of attachment bolt hole
L3 89 mm Length of piloting groove
L2 19 mm Length attachment end
L1 100 mm Distance from attachment end face to centre line of spherical seat diameter
A2 34 mm Flange width
A1 18 mm Flange width
r 62 mm Housing radius
A5 105 mm Width including end cover
t 3 mm Clearance
A 50 mm Overall width
H1 112 mm Distance between bottoms of piloting grooves
B1 46 mm Width of inner ring

Basic Load Ratings

Cr 40.5 kN Basic dynamic load rating
C0r 24 kN Basic static load rating

Mass

mass 3 kg Mass approx.

Similar to product

CM-UKT308D1