UCT210D1
MORE +
CLOSE +

NSK UCT210D1

Take-up Units

(BRAND):NSK
(Availability):In Stock

Detailed data of

UCT210D1

Designations

UCT210D1

Included products

Bearing
Housing T210D1 Housing

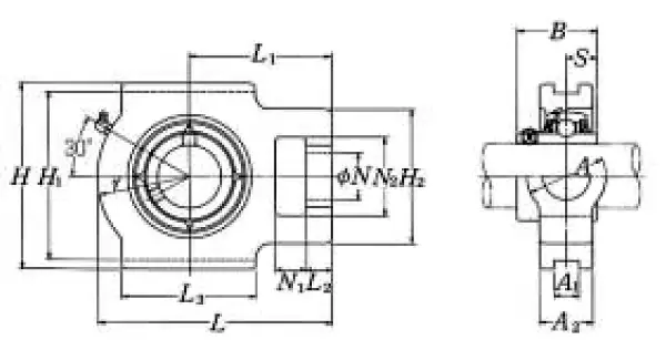
Nominal Dimensions

d 50 mm Bore diameter
L,L4 151 mm Overall length
L 151 mm Overall length
H2 83 mm Height of attachment end
H 117 mm Overall height
N2 49 mm Height of attachment slot
N1 19 mm Length of attachment slot
N 29 mm Diameter of attachment bolt hole
L3 86 mm Length of piloting groove
L2 18 mm Length attachment end
L1 92 mm Distance from attachment end face to centre line of spherical seat diameter
A2 37 mm Flange width
A1 16 mm Flange width
r 59 mm Housing radius
A 49 mm Overall width
H1 102 mm Distance between bottoms of piloting grooves
B 51.6 mm Width of inner ring
S 19 mm Distance from Opposite side face of locking device to raceway centre

Basic Load Ratings

Cr 35 kN Basic dynamic load rating
C0r 23.2 kN Basic static load rating

Mass

mass 2.6 kg Mass approx.

Similar to product

UCT210D1