UCT216D1
MORE +
CLOSE +

NSK UCT216D1

Take-up Units

(BRAND):NSK
(Availability):In Stock

Detailed data of

UCT216D1

Designations

UCT216D1

Included products

Bearing
Housing T216D1 Housing

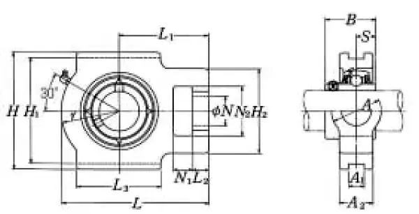
Nominal Dimensions

d 80 mm Bore diameter
L,L4 235 mm Overall length
L 235 mm Overall length
H2 111 mm Height of attachment end
H 184 mm Overall height
N2 70 mm Height of attachment slot
N1 32 mm Length of attachment slot
N 41 mm Diameter of attachment bolt hole
L3 121 mm Length of piloting groove
L2 23 mm Length attachment end
L1 140 mm Distance from attachment end face to centre line of spherical seat diameter
A2 51 mm Flange width
A1 26 mm Flange width
r 95 mm Housing radius
A 70 mm Overall width
H1 165 mm Distance between bottoms of piloting grooves
B 82.6 mm Width of inner ring
S 33.3 mm Distance from Opposite side face of locking device to raceway centre

Basic Load Ratings

Cr 72.5 kN Basic dynamic load rating
C0r 53 kN Basic static load rating

Mass

mass 8.2 kg Mass approx.

Similar to product

UCT216D1