UCT311D1
MORE +
CLOSE +

NSK UCT311D1

Take-up Units

(BRAND):NSK
(Availability):In Stock

Detailed data of

UCT311D1

Designations

UCT311D1

Included products

Bearing
Housing T311D1 Housing

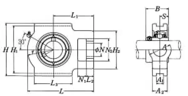
Nominal Dimensions

d 55 mm Bore diameter
L,L4 207 mm Overall length
L 207 mm Overall length
H2 105 mm Height of attachment end
H 163 mm Overall height
N2 66 mm Height of attachment slot
N1 29 mm Length of attachment slot
N 39 mm Diameter of attachment bolt hole
L3 115 mm Length of piloting groove
L2 23 mm Length attachment end
L1 127 mm Distance from attachment end face to centre line of spherical seat diameter
A2 44 mm Flange width
A1 22 mm Flange width
r 80 mm Housing radius
A 66 mm Overall width
H1 150 mm Distance between bottoms of piloting grooves
B 66 mm Width of inner ring
S 25 mm Distance from Opposite side face of locking device to raceway centre

Basic Load Ratings

Cr 71.5 kN Basic dynamic load rating
C0r 45 kN Basic static load rating

Mass

mass 6.3 kg Mass approx.

Similar to product

UCT311D1