UCTX10D1
MORE +
CLOSE +

NSK UCTX10D1

Take-up Units

(BRAND):NSK
(Availability):In Stock

Detailed data of

UCTX10D1

Designations

UCTX10D1

Included products

Bearing
Housing TX10D1 Housing

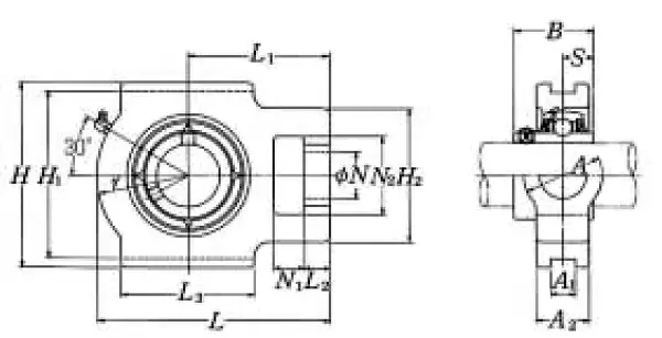
Nominal Dimensions

d 50 mm Bore diameter
L,L4 171 mm Overall length
L 171 mm Overall length
H2 102 mm Height of attachment end
H 146 mm Overall height
N2 64 mm Height of attachment slot
N1 25 mm Length of attachment slot
N 35 mm Diameter of attachment bolt hole
L3 95 mm Length of piloting groove
L2 21 mm Length attachment end
L1 106 mm Distance from attachment end face to centre line of spherical seat diameter
A2 42 mm Flange width
A1 22 mm Flange width
r 65 mm Housing radius
A 64 mm Overall width
H1 130 mm Distance between bottoms of piloting grooves
B 55.6 mm Width of inner ring
S 22.2 mm Distance from Opposite side face of locking device to raceway centre

Basic Load Ratings

Cr 43.5 kN Basic dynamic load rating
C0r 29.2 kN Basic static load rating

Mass

mass 4.2 kg Mass approx.

Similar to product

UCTX10D1