UKT310D1
MORE +
CLOSE +

NSK UKT310D1

Take-up Units

(BRAND):NSK
(Availability):In Stock

Detailed data of

UKT310D1

Designations

UKT310D1

Included products

Bearing
Housing T310D1 Housing

Associated products

Adapter sleeve

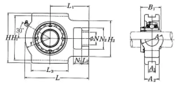
Nominal Dimensions

d 45 mm Bore diameter
L,L4 192 mm Overall length
L 192 mm Overall length
H2 98 mm Height of attachment end
H 151 mm Overall height
N2 61 mm Height of attachment slot
N1 27 mm Length of attachment slot
N 37 mm Diameter of attachment bolt hole
L3 106 mm Length of piloting groove
L2 22 mm Length attachment end
L1 118 mm Distance from attachment end face to centre line of spherical seat diameter
A2 40 mm Flange width
A1 20 mm Flange width
r 74 mm Housing radius
A 61 mm Overall width
H1 140 mm Distance between bottoms of piloting grooves
B1 55 mm Width of inner ring

Basic Load Ratings

Cr 62 kN Basic dynamic load rating
C0r 38.5 kN Basic static load rating

Mass

mass 5.1 kg Mass approx.

Similar to product

UKT310D1