UKT312D1
MORE +
CLOSE +

NSK UKT312D1

Take-up Units

(BRAND):NSK
(Availability):In Stock

Detailed data of

UKT312D1

Designations

UKT312D1

Included products

Bearing
Housing T312D1 Housing

Associated products

Adapter sleeve

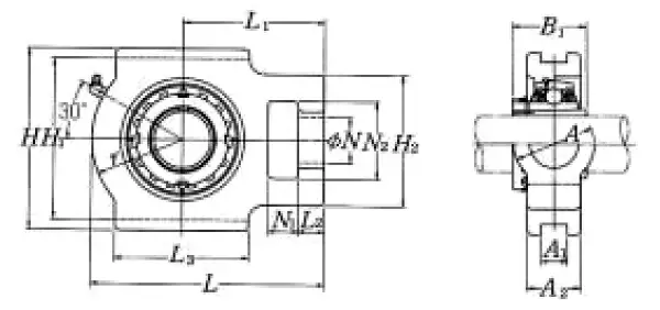
Nominal Dimensions

d 55 mm Bore diameter
L,L4 220 mm Overall length
L 220 mm Overall length
H2 113 mm Height of attachment end
H 178 mm Overall height
N2 71 mm Height of attachment slot
N1 31 mm Length of attachment slot
N 41 mm Diameter of attachment bolt hole
L3 123 mm Length of piloting groove
L2 25 mm Length attachment end
L1 135 mm Distance from attachment end face to centre line of spherical seat diameter
A2 46 mm Flange width
A1 22 mm Flange width
r 85 mm Housing radius
A 71 mm Overall width
H1 160 mm Distance between bottoms of piloting grooves
B1 62 mm Width of inner ring

Basic Load Ratings

Cr 82 kN Basic dynamic load rating
C0r 52 kN Basic static load rating

Mass

mass 7.6 kg Mass approx.

Similar to product

UKT312D1