ZM-UCT209D1
MORE +
CLOSE +

NSK ZM-UCT209D1

Take-up Units

(BRAND):NSK
(Availability):In Stock

Detailed data of

ZM-UCT209D1

Designations

ZM-UCT209D1

Included products

Bearing
Housing T209D1 Housing

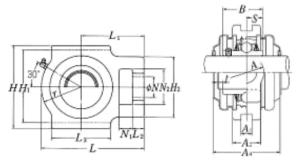
Nominal Dimensions

d 45 mm Bore diameter
L,L4 145 mm Overall length
L 145 mm Overall length
H2 83 mm Height of attachment end
H 117 mm Overall height
N2 49 mm Height of attachment slot
N1 19 mm Length of attachment slot
N 29 mm Diameter of attachment bolt hole
L3 83 mm Length of piloting groove
L2 18 mm Length attachment end
L1 88 mm Distance from attachment end face to centre line of spherical seat diameter
A2 35 mm Flange width
A1 16 mm Flange width
r 57 mm Housing radius
A4 69 mm Width including end cover
t 3 mm Clearance
A 49 mm Overall width
H1 102 mm Distance between bottoms of piloting grooves
B 49.2 mm Width of inner ring
S 19 mm Distance from Opposite side face of locking device to raceway centre

Basic Load Ratings

Cr 32.5 kN Basic dynamic load rating
C0r 20.4 kN Basic static load rating

Mass

mass 2.5 kg Mass approx.

Similar to product

ZM-UCT209D1