Home
Brand
SKF
IKO
INA
FAG
KOYO
TIMKEN
NSK
NTN
PRECISION BEARINGS
MCGILL
THK
About us
Contact us
News
Search
Home
>
Brand
>
MCGILL
>
CAM FOLLOWER BEARING CFH-SB BEARING SERIES
CFH-3/4-SB
MORE +
CLOSE +
MCGILL CFH-3/4-SB
CAM FOLLOWER BEARING CFH-SB BEARING SERIES
(BRAND):MCGILL
(Availability):In Stock
(EMAIL):info@noksbearings.com
REQUEST A QUOTE
Detailed data of Product
similar to product
Detailed data of
CFH-3/4-SB
CAM FOLLOWER BEARING CFH-SB BEARING SERIES
Description
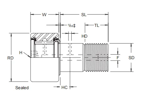
ROLLER DIA.(RD)
.750
ROLLER WIDTH (W)
.500
STUD DIA. (SD)
.4375
STUD L'GTH.(SL)
7/8
MIN. THR'D L'GTH.(TL)
3/8
FINE THR'DS.
7/16-20
HOLE CENTER(HC)
1/4
HOLE DIA.(HD)
3/32
LUB. FIT- TING SIZE (F)*
3/16
MIN. BOSS DIA.
39/64
HOUSING BORE DIA.
.4378
***RECOM. CLAMPING TORQUE LBS.-IN.
35
MAX. STATIC CAPACITY LBS.
4130
BASIC DYN. RATING LBS.
1660
Similar to product
CFH-3/4-SB
CAM FOLLOWER BEARING CFH-SB BEARING SERIES
CFH-4-SB
Shell
CAM FOLLOWER BEARING CFH-SB BEARING SERIES
Read More
CFH-3 1/2-SB
Shell
CAM FOLLOWER BEARING CFH-SB BEARING SERIES
Read More
CFH-3 1/4-SB
Shell
CAM FOLLOWER BEARING CFH-SB BEARING SERIES
Read More
CFH-3-SB
Shell
CAM FOLLOWER BEARING CFH-SB BEARING SERIES
Read More
CFH-1 5/8-SB
Shell
CAM FOLLOWER BEARING CFH-SB BEARING SERIES
Read More
CFH-2 3/4-SB
Shell
CAM FOLLOWER BEARING CFH-SB BEARING SERIES
Read More
CFH-2 1/2-SB
Shell
CAM FOLLOWER BEARING CFH-SB BEARING SERIES
Read More
CFH-2 1/4-SB
Shell
CAM FOLLOWER BEARING CFH-SB BEARING SERIES
Read More
CFH-2-SB
Shell
CAM FOLLOWER BEARING CFH-SB BEARING SERIES
Read More
CFH-1 7/8-SB
Shell
CAM FOLLOWER BEARING CFH-SB BEARING SERIES
Read More