Home
Brand
SKF
IKO
INA
FAG
KOYO
TIMKEN
NSK
NTN
PRECISION BEARINGS
MCGILL
THK
About us
Contact us
News
Search
Home
>
Brand
>
NSK
>
Bearing Units
>
Flanged Ball Bearing Units
>
Square Flanged Units
C-UCF213D1
MORE +
CLOSE +
NSK C-UCF213D1
Square Flanged Units
(BRAND):NSK
(Availability):In Stock
(EMAIL):info@noksbearings.com
Detailed data of Product
similar to product
Detailed data of
C-UCF213D1
Square Flanged Units
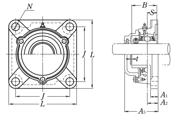
Designations
C-UCF213D1
Included products
Bearing
Housing
F213D1
Housing
Nominal Dimensions
d
65
mm
Bore diameter
L
187
mm
Overall length
J
149
mm
Distance between attachment bolts
N
19
mm
Diameter of attachment bolt hole
A2
30
mm
Flange width
A1
22
mm
Flange width
A5
90
mm
Width including end cover
A0
69.7
mm
Overall width
B,B1,B2
65.1
mm
Width of inner ring
t
4
mm
Clearance
S
25.4
mm
Distance from Opposite side face of locking device to raceway centre
Mounting information
G
M16
Bolt size
Basic Load Ratings
Cr
57.5
kN
Basic dynamic load rating
C0r
40
kN
Basic static load rating
Mass
mass
6.4
kg
Mass approx.
Similar to product
C-UCF213D1
Square Flanged Units
UKFS324D1
Shell
Square Flanged Units
Read More
C-UKFS324D1
Shell
Square Flanged Units
Read More
CM-UKFS324D1
Shell
Square Flanged Units
Read More
UKF326D1
Shell
Square Flanged Units
Read More
C-UKF326D1
Shell
Square Flanged Units
Read More
CM-UKF326D1
Shell
Square Flanged Units
Read More
UKFS326D1
Shell
Square Flanged Units
Read More
C-UKFS326D1
Shell
Square Flanged Units
Read More
CM-UKFS326D1
Shell
Square Flanged Units
Read More
UCF324D1
Shell
Square Flanged Units
Read More