Home
Brand
SKF
IKO
INA
FAG
KOYO
TIMKEN
NSK
NTN
PRECISION BEARINGS
MCGILL
THK
About us
Contact us
News
Search
Home
>
Brand
>
NSK
>
Bearing Units
>
Flanged Ball Bearing Units
>
Square Flanged Units
C-UCF308D1
MORE +
CLOSE +
NSK C-UCF308D1
Square Flanged Units
(BRAND):NSK
(Availability):In Stock
(EMAIL):info@noksbearings.com
Detailed data of Product
similar to product
Detailed data of
C-UCF308D1
Square Flanged Units
Designations
C-UCF308D1
Included products
Bearing
Housing
F308D1
Housing
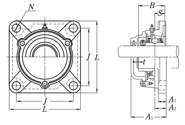
Nominal Dimensions
d
40
mm
Bore diameter
L
150
mm
Overall length
J
112
mm
Distance between attachment bolts
N
19
mm
Diameter of attachment bolt hole
A2
23
mm
Flange width
A1
17
mm
Flange width
A5
76
mm
Width including end cover
A0
56
mm
Overall width
B,B1,B2
52
mm
Width of inner ring
t
3
mm
Clearance
S
19
mm
Distance from Opposite side face of locking device to raceway centre
Mounting information
G
M16
Bolt size
Basic Load Ratings
Cr
40.5
kN
Basic dynamic load rating
C0r
24
kN
Basic static load rating
Mass
mass
3.4
kg
Mass approx.
Similar to product
C-UCF308D1
Square Flanged Units
UKFS324D1
Shell
Square Flanged Units
Read More
C-UKFS324D1
Shell
Square Flanged Units
Read More
CM-UKFS324D1
Shell
Square Flanged Units
Read More
UKF326D1
Shell
Square Flanged Units
Read More
C-UKF326D1
Shell
Square Flanged Units
Read More
CM-UKF326D1
Shell
Square Flanged Units
Read More
UKFS326D1
Shell
Square Flanged Units
Read More
C-UKFS326D1
Shell
Square Flanged Units
Read More
CM-UKFS326D1
Shell
Square Flanged Units
Read More
UCF324D1
Shell
Square Flanged Units
Read More